聯系人:趙經理
手 機:18761031608
電 話:0523-87669448
QQ :1848859180
郵 件:1848859180@qq.com
傳 真:0523-87669448
網 址:www.chawy.cn
地 址:泰興市姚王鎮泰姚北路10號
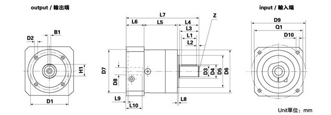
特點:圓柱形外殼,體積小,結構緊湊,輸出端面連接,安裝簡便。
應用領域:主要使用在包裝機械、切割設備、紡織印染設備等行業。
技術參數:
外形尺寸:40mm---160mm
減速比: 3---512
傳遞力矩:5Nm---895Nm
精密側隙:≤5arcmin
安裝方式:任意




















